Aloris EA- 13L EA Series Extension Tool Holder, Opposite Hand
- Part #:EA- 13L
- Model #:EA Series
- Condition:Brand New




Description
Features:
- A new addition to the versatile Aloris dovetail mounted quick-change tool holder series. The 13L - opposite hand provides an extremely rugged extended open slot featuring maximum rigidity for deep turning or facing operation.
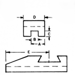
- Dimensions (see image)
- A: 2-11/16";
- B: 1-1/2";
- C: 1-1/4";
- D: 4";
- E: 6-1/2";
- Tool bit: 3/4" - 1-1/2"
⚠️ Attention CA Residents: Prop 65 Warning
- You May Also Like
- Your Recently Viewed
- Reviews
- Q&A
Questions & AnswersHave a Product Question?
Reviews
Leave a review of this product!
If you've used this product, please leave a review to tell us and other customers what you thought about it. Get paid up to $16 for submitting one of the first text, photo, or video reviews for this item. Please contact us for more details.
Write a text review
Earn $2.00Post a product photo
Earn $4.00Post a product video
Earn $10.00

