
Description
Features:
- The Full-Flow Air Knife Kit provides good performance with a 30:1 air amplification ratio.
- The Full-Flow Air Knife is the least expensive and is a good choice for tight spaces.
- Force is less than the other two styles.
- Air consumption and sound level falls between that of the Super Air Knife and the Standard Air Knife.
- Compressed air inlet(s) are provided on the rear. Inlets are available on each end at a small additional charge, however they are not recommended for applications where uniform flow across the length is required.
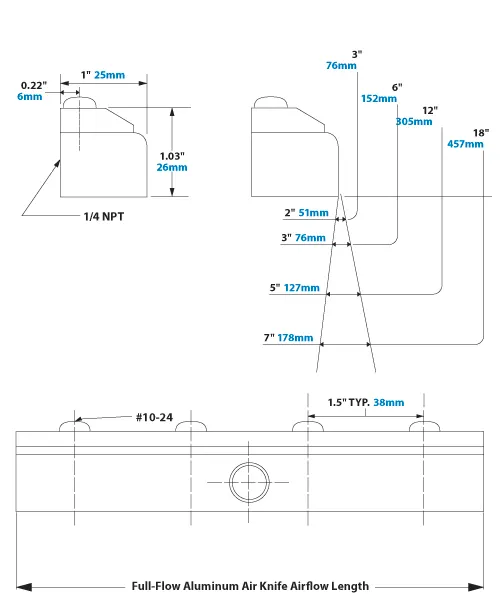
- Aluminum - The aluminum Full-Flow Air Knife is suited to a wide variety of environments where corrosion or contamination is not a factor. The aircraft grade aluminum construction with plastic shim is very durable for general purpose applications. Stainless steel screws are used to eliminate corrosion in damp locations. It can withstand temperatures up to 180°F (82°C).
- 18" Alum. Full-Flow Air Knife Kit
Full-Flow Air Knife Kit include:
- Full-Flow Air Knife
- Shim set
- Filter separator
- Pressure regulator (with coupler)
Applications:
- Part drying after wash
- Sheet cleaning in strip mills
- Conveyor cleaning
- Web drying or cleaning
- Part or component cooling
- Environmental separation
- Pre-paint blowoff
- Bag opening/filling operations
- Scrap removal on converting operations
Advantages:
- Up to 10 dBA noise reduction
- Reduced air consumption
- 30:1 air amplification
- Aluminum or stainless steel
- Compact, rugged, easy to install
- No moving parts
- Compressed air inlets on each end
- Variable force and flow

How it Work:
- Compressed air flows through the inlet (1) into a plenum chamber.
- It is then throttled through a thin nozzle (2) extending the length of the Full-Flow Air Knife.
- This primary airstream adheres to the Coanda profile (3), which turns it 90° and directs the flow down the face of the unit.
- The primary stream immediately begins to entrain surrounding air (4), for an amplification ratio of 30:1 at 6" (152mm) away.

⚠️ Attention CA Residents: Prop 65 Warning
- You May Also Like
- Your Recently Viewed
- Reviews
- Q&A
Technical details
| Pressure Supply (PSIG) | 20 / 40 / 60 / 80 / 100 |
| Pressure Supply (BAR) | 1.4 / 2.8 / 4.1 / 5.5 / 6.9 |
| Air Consumption per inch ( 25 mm) (SCFM) | 1.1 / 1.8 / 2.4 / 3.1 / 3.8 |
| Air Consumption per inch ( 25 mm) (SLPM) | 31 / 51 / 68 / 88 / 108 |
| Velocity at 6" (152 mm) from target | |
| FPM | 3000 / 5000 / 7500 / 10000 / 12000 |
| M / S | 15.2 / 25.4 / 38.1 / 50.8 / 61.0 |
| Sound Level (dBA) at 3' (914 mm) | 64 / 72 / 76 / 80 / 83 |
| Force per Inch (25 mm) at 6" (152 mm) from target | |
| OUNCES | 0.4 / 1.0 / 1.6 / 2.3 / 2.9 |
| GRAMS | 11 / 28 / 45 / 65 / 82 |
| 12" (305 mm) Standard Air Knife tested with 0.002" (0.05 mm) thick shim installed. | |
Questions & AnswersHave a Product Question?
Reviews
Leave a review of this product!
If you've used this product, please leave a review to tell us and other customers what you thought about it. Get paid up to $16 for submitting one of the first text, photo, or video reviews for this item. Please contact us for more details.
Write a text review
Earn $2.00Post a product photo
Earn $4.00Post a product video
Earn $10.00
