
Description
Features:
- The Full-Flow Air Knife provides good performance with a 30:1 air amplification ratio.
- The Full-Flow Air Knife is the least expensive and is a good choice for tight spaces.
- Force is less than the other two styles.
- Air consumption and sound level falls between that of the Super Air Knife and the Standard Air Knife.
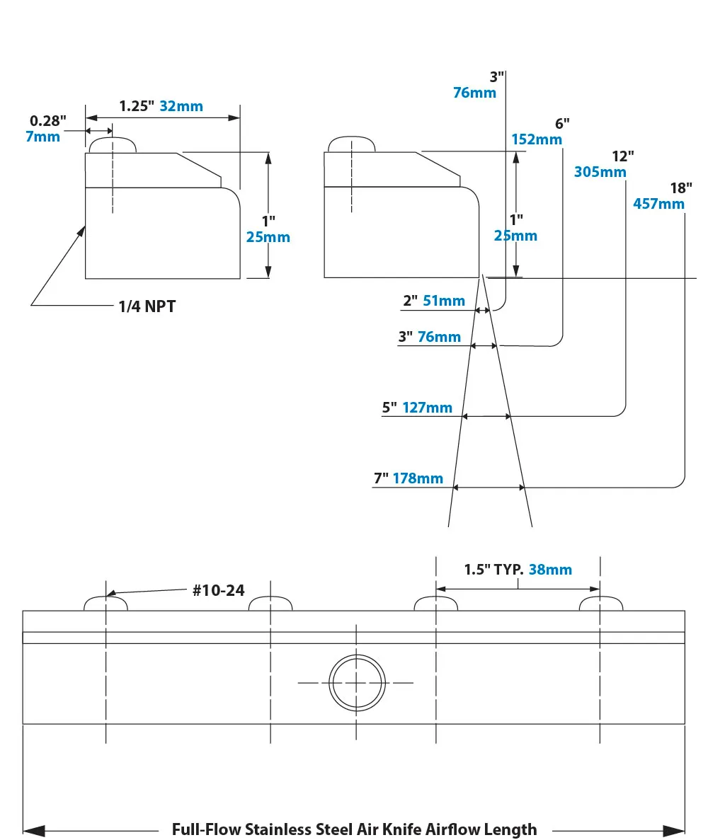
- Compressed air inlet(s) are provided on the rear. Inlets are available on each end at a small additional charge, however they are not recommended for applications where uniform flow across the length is required.
- Type 303 Stainless Steel - This is the most common grade of stainless steel. It offers good strength and is best suited to mildly corrosive environments. It can withstand temperatures up to 800°F (427°C).
- 12" Type 303 St. St. Full-Flow Air Knife
Applications:
- Part drying after wash
- Sheet cleaning in strip mills
- Conveyor cleaning
- Web drying or cleaning
- Part or component cooling
- Environmental separation
- Pre-paint blowoff
- Bag opening/filling operations
- Scrap removal on converting operations
Advantages:
- Up to 10 dBA noise reduction
- Reduced air consumption
- 30:1 air amplification
- Aluminum or stainless steel
- Compact, rugged, easy to install
- No moving parts
- Compressed air inlets on each end
- Variable force and flow

How it Work:
- Compressed air flows through the inlet (1) into a plenum chamber.
- It is then throttled through a thin nozzle (2) extending the length of the Full-Flow Air Knife.
- This primary airstream adheres to the Coanda profile (3), which turns it 90° and directs the flow down the face of the unit.
- The primary stream immediately begins to entrain surrounding air (4), for an amplification ratio of 30:1 at 6" (152mm) away.

⚠️ Attention CA Residents: Prop 65 Warning
- You May Also Like
- Your Recently Viewed
- Reviews
- Q&A
Technical details
| Pressure Supply (PSIG) | 20 / 40 / 60 / 80 / 100 |
| Pressure Supply (BAR) | 1.4 / 2.8 / 4.1 / 5.5 / 6.9 |
| Air Consumption per inch ( 25 mm) (SCFM) | 1.1 / 1.8 / 2.4 / 3.1 / 3.8 |
| Air Consumption per inch ( 25 mm) (SLPM) | 31 / 51 / 68 / 88 / 108 |
| Velocity at 6" (152 mm) from target | |
| FPM | 3000 / 5000 / 7500 / 10000 / 12000 |
| M / S | 15.2 / 25.4 / 38.1 / 50.8 / 61.0 |
| Sound Level (dBA) at 3' (914 mm) | 64 / 72 / 76 / 80 / 83 |
| Force per Inch (25 mm) at 6" (152 mm) from target | |
| OUNCES | 0.4 / 1.0 / 1.6 / 2.3 / 2.9 |
| GRAMS | 11 / 28 / 45 / 65 / 82 |
| 12" (305 mm) Standard Air Knife tested with 0.002" (0.05 mm) thick shim installed. | |
Questions & AnswersHave a Product Question?
Reviews
Leave a review of this product!
If you've used this product, please leave a review to tell us and other customers what you thought about it. Get paid up to $16 for submitting one of the first text, photo, or video reviews for this item. Please contact us for more details.
Write a text review
Earn $2.00Post a product photo
Earn $4.00Post a product video
Earn $10.00
